防爆形ネットワークカメラ NWEX-CM6H
■360° 全方位監視
■多彩な配信モード(パノラマ・ダブルパノラマ・4画 PTZ・1画 PTZ)
■最大 12MP の高解像度画像を最大 30 フレーム/秒 で動画配信
| 一般仕様・防爆仕様 | |
|---|---|
| 検定合格番号 | 第 TC22923X 号 |
| 防爆性能 | 耐圧防爆構造 Ex db IIB+H2 T4 Gb |
| 電源 | PoE (IEEE802.3af 準拠) |
| 保護構造 | IP65 相当 |
| 適用危険場所 | Zone 1、Zone 2 |
| 使用周囲温度 | -20℃ 〜 +40℃ |
| 使用周囲湿度 | 30% 〜 80%RH (結露なきこと) |
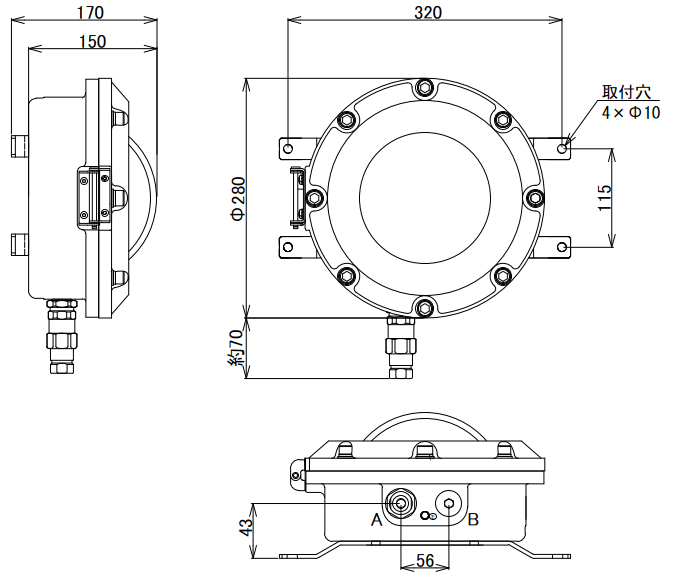
| 外形寸法 (φ×D) | 280 × 150 ㎜ ※突起部含まず |
| 材質 | アルミニウム合金 |
| 質量 | 約 8.5kg |
| 塗装色 | 【カバー部】 マンセル 5Y 7/1 【ケース部】 マンセル 5PB 4/6.5 |
| アレスタ | JIS C5381-21 適合 (カテゴリ C2, D1) |
| ネットワーク仕様 | |
| ネットワーク | 10Base-T / 100Base-TX |
| 対応プロトコル | IPv4、IPv6 |
| カメラ仕様 | |
| 内蔵カメラ型式 | WV-S4176UX (i-PRO 社製) |
| 撮像素子 | 約 1/2 型 CMOS センサー |
| 有効画素数 | 1240 万画素 |
| 走査面積 (H×V) | 5.54 × 5.54 ㎜ |
| 走査方式 | プログレッシブ |
| 画像解像度 | 魚眼 (最大 30fps/25fps) 2992×2992、2192×2192、1280×1280、640×640、320×320 |
| 画像圧縮方式 | H.265、H.264 |
| 最低照度 (カラー) | 0.02 lx (50IRE、F2.4、最長露光時間:最大 16/30s、AGC:11) |
| 最低照度 (白黒) | 0.01 lx (50IRE、F2.4、最長露光時間:最大 16/30s、AGC:11) |
| セキュリティ | ユーザー認証、ホスト認証、HTTPS、動画ファイルの改ざん検出 |
| ズーム比 | ×1 |
| デジタルズーム | ×1、×2、×4 の 3 段階から選択 |
| 焦点距離 | 1.4 ㎜ |
| フォーカス範囲 | 0.5m 〜 ∞ |
| 絞り範囲 | F1.9 固定 |
| 画角 | 水平:183° / 垂直:183° |



